ESPACE CLIENT
Identifiez-vous
Se souvenir de moi
Se connecter
Mot de passe oublié ?
Pas encore client ?
Accueil
Qui sommes-nous ?
Nos agences
Nous contacter
Masquer les prix
Electricité Générale
Eclairage
Sources
Eclairage extérieur
Eclairage intérieur fonctionnel
Eclairage intérieur décoratif
Appareillage d'éclairage
Eclairage de sécurité
Eclairage portatif
Cable - Fixation - Profilé
Eclairage de chantier
Courant faible - Contrôle d'accès
Anti-intrusion - Alarme
Vidéo-surveillance
Automatisme d'ouverture
Interphonie - Caméra
Vdi - Cablage - Réseau
Baie - Coffret
Accessoire
Connectique
Onduleur - Accessoires
Coffret de communication
Fibre optique
Protection Habitat
Coffret - Armoire
Protection résidentielle
Automatisme de tableau
Appareillage
Système domotique
Accessoire de bâtiment
Gestion de l'énergie
Système immotique GTB
Branchement au réseau
Fils - Câbles
Fil - Câble domestique
Câble industriel
Câble spécial
Câble courant faible
Cuivre nu
Accessoire - Fixation
Câble connexion mobile
Conduits - Gaines
Cheminement
Conduit - Gaine - Tube
Accessoires fixation
Goulotte - colonne - Moulure
Industrie
Commande Contrôle
Coffret - Armoire - Accessoire
Automatisme programmable
Connectique - Raccordement
Commande - Signalisation
Relais - Transformateur
Cartouche industrielle
Informatique et réseau industriel
Interrupteur inverseur
Ventilation des armoires
à classer
Batteries - Piles
Accessoires
Batteries
Ruban adhésif - étiquettes
A classer
Repérage - ruban adhésif - étiqueta
Distribution énergie - Protection h
Protection résidentiel et petit ter
Branchement au réseau
Conduit - Cheminement - Gaine
Conduit - Gaine - Tube
Industrie
Connectique - Raccordement
EPI - Protection - Sécurité
Hygiène
Hygiène des locaux
Spécial hôtellerie
Signalisation
Piquet - Poteau - Cordon - Ruban
Marquage - Panneau - Plaque de sign
Accessoire
Adhésif - Sticker - Pochoir
Protection
Protection de la tête
Protection auditive
Protection respiratoire
Protection des mains
Protection du corps
Protection des pieds
Kit EPI
Accessoires
Fournitures industrielles
Outillage électroportatif
Outil filaire
Accessoire - Consommable
Outil hydraulique
Outillage à main
Serrage - Vissage
Martellerie - Frappe
Sciage - Perçage - Découpe
Contrôle - Mesure
Marquage - Repérage - Traçage
Fixation
Sertissage
Rangement
Pince
Soudage
Soudage électrique
Soudage butane aéro-propane
Accessoire
Matériel de chantier
Matériel de chantier
Accès en hauteur
Outil spécifique métier
Electricien
Assemblage - Fixation
Visserie - Boulonnerie acier
Visserie - Boulonnerie inox
Assemblage divers
Fixation - Supportage
Outillage électroportatif
Outil hydraulique
Quincaillerie de bâtiment
Sécurité
Produit entretien - maintenance - n
Dégraissant
Dégrippant - Lubrifiant
Fixation - Réparation
Nettoyage
Aspiration
Outil spécifique métier
Electricien
Electricien
Génie climatique - Sanitaire
Génie climatique
Chauffage accessoires
Radiateur eau chaude
Plancher chauffant
Chauffage électrique
Régulation - Gestion chauffage
Eau chaude sanitaire
Climatisation
Ventilation
Traitement de l'air
Chauffage collectif tertiaire indus
Pompe a chaleur
Electricité Générale
Eclairage
Sources
Eclairage extérieur
Eclairage intérieur fonctionnel
Eclairage intérieur décoratif
Appareillage d'éclairage
Eclairage de sécurité
Eclairage portatif
Cable - Fixation - Profilé
Eclairage de chantier
Courant faible - Contrôle d'accès
Anti-intrusion - Alarme
Vidéo-surveillance
Automatisme d'ouverture
Interphonie - Caméra
Vdi - Cablage - Réseau
Baie - Coffret
Accessoire
Connectique
Onduleur - Accessoires
Coffret de communication
Fibre optique
Protection Habitat
Coffret - Armoire
Protection résidentielle
Automatisme de tableau
Appareillage
Système domotique
Accessoire de bâtiment
Gestion de l'énergie
Système immotique GTB
Branchement au réseau
Fils - Câbles
Fil - Câble domestique
Câble industriel
Câble spécial
Câble courant faible
Cuivre nu
Accessoire - Fixation
Câble connexion mobile
Conduits - Gaines
Cheminement
Conduit - Gaine - Tube
Accessoires fixation
Goulotte - colonne - Moulure
Industrie
Commande Contrôle
Coffret - Armoire - Accessoire
Automatisme programmable
Connectique - Raccordement
Commande - Signalisation
Relais - Transformateur
Cartouche industrielle
Informatique et réseau industriel
Interrupteur inverseur
Ventilation des armoires
à classer
Batteries - Piles
Accessoires
Batteries
Ruban adhésif - étiquettes
A classer
Repérage - ruban adhésif - étiqueta
Distribution énergie - Protection h
Protection résidentiel et petit ter
Branchement au réseau
Conduit - Cheminement - Gaine
Conduit - Gaine - Tube
Industrie
Connectique - Raccordement
EPI - Protection - Sécurité
Hygiène
Hygiène des locaux
Spécial hôtellerie
Signalisation
Piquet - Poteau - Cordon - Ruban
Marquage - Panneau - Plaque de sign
Accessoire
Adhésif - Sticker - Pochoir
Protection
Protection de la tête
Protection auditive
Protection respiratoire
Protection des mains
Protection du corps
Protection des pieds
Kit EPI
Accessoires
Fournitures industrielles
Outillage électroportatif
Outil filaire
Accessoire - Consommable
Outil hydraulique
Outillage à main
Serrage - Vissage
Martellerie - Frappe
Sciage - Perçage - Découpe
Contrôle - Mesure
Marquage - Repérage - Traçage
Fixation
Sertissage
Rangement
Pince
Soudage
Soudage électrique
Soudage butane aéro-propane
Accessoire
Matériel de chantier
Matériel de chantier
Accès en hauteur
Outil spécifique métier
Electricien
Assemblage - Fixation
Visserie - Boulonnerie acier
Visserie - Boulonnerie inox
Assemblage divers
Fixation - Supportage
Outillage électroportatif
Outil hydraulique
Quincaillerie de bâtiment
Sécurité
Produit entretien - maintenance - n
Dégraissant
Dégrippant - Lubrifiant
Fixation - Réparation
Nettoyage
Aspiration
Outil spécifique métier
Electricien
Electricien
Génie climatique - Sanitaire
Génie climatique
Chauffage accessoires
Radiateur eau chaude
Plancher chauffant
Chauffage électrique
Régulation - Gestion chauffage
Eau chaude sanitaire
Climatisation
Ventilation
Traitement de l'air
Chauffage collectif tertiaire indus
Pompe a chaleur
Qui sommes-nous ?
Nos agences
Nous contacter
Masquer les prix
eGold
»
Electricité Générale
»
Industrie
»
Connectique - Raccordement
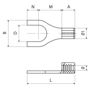
CBRBN-U6
Cosse nue
Détails stock
PU NET HT
0
,1119 EUR
HT
Unité
QUANTITÉ
RÉACTUALISER
Cosse nue
Le Comptoir Electro Domestique et Industriel
QUI SOMMES-NOUS ?
NOS AGENCES
CGV
MENTIONS LÉGALES
CEDI
51 rue Guy Autret
29000 Quimper
02 98 64 69 90
Copyright © 2024-2025
BG Partners
En poursuivant votre navigation sur ce site, vous acceptez l'utilisation de cookies afin de vous offrir une expérience optimale.
OK